Vă rugăm să alegeți locația de livrare

Selectarea paginii țării/regiunii poate influența diferiți factori, cum ar fi prețul, opțiunile de expediere și disponibilitatea produselor.
Persoana mea de contact
Hennlich S.R.L

Str. Timotei Cipariu, Nr.5-7

310213 Arad

+40 257 211021
+40 257 211021
RO(RO)

drylin® N - Low profile linear guide system NK-22-17-40

DryLin® N low profile guide system rail

Order no. Max. rail lengths a C4 A3 C5=C6 h h1 K1* ly lz Weight of rail Price / m  
  [L max.]       Min. max.       [mm2] [mm2] [g/m]    
Gata de expediere în 24-48 ore din Germania NS-01-17 2000 17 60 0 20 20/49,5 5,5 0,9 M3 1700 120 150 25,45 EUR uneti în cosul de cumparaturi
Gata de expediere în 24-48 ore din Germania NS-01-17-AR 2000 17 60 0 20 20/49,5 5,5 0,9 M3 1700 120 150 29,27 EUR uneti în cosul de cumparaturi
Gata de expediere în 24-48 ore din Germania NS-01-17-UNGEBOHRT 2000 17 60 0 20 5,5 0,9 M3 1700 120 150 22,78 EUR uneti în cosul de cumparaturi
Mai multe informatii despre piesa selectata:
Auto CAD 3D Auto CAD 3D
Comanda de mostra Comanda de mostra
PDF PDF
Quote request Quote request
myCatalog myCatalog

For unbored rails please indicate "Unbored" in the remark.
* for cylinder screw with low head

Drylin® low profile linear guide system NK-02-17

Order no. Designation Weight of carriage    
    [g]    
Gata de expediere în 24-48 ore din Germania NW-22-17-40 Double carriage with threaded pin 2,6 6,36 EUR uneti în cosul de cumparaturi
Gata de expediere în 24-48 ore din Germania NW-22-17-40-LLY Double carriage with threaded pin floating bearing y-direction 2,6 6,36 EUR uneti în cosul de cumparaturi
Gata de expediere în 24-48 ore din Germania NW-22-17-40-LLYZ Double carriage with threaded pin floating bearing y und z-direction 2,6 6,36 EUR uneti în cosul de cumparaturi
Gata de expediere în 24-48 ore din Germania NW-22-17-40-LLZ Double carriage with threaded pin floating bearing z-direction 2,6 6,36 EUR uneti în cosul de cumparaturi
Mai multe informatii despre piesa selectata:
Auto CAD 3D Auto CAD 3D
Comanda de mostra Comanda de mostra
PDF PDF
Quote request Quote request
myCatalog myCatalog

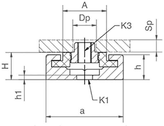
Dimensions [mm] - guide carriages

Part. No. H A C C1 C2 A2 H2 K2 K3 K4 Sp min. Dp Ø min. Weight
  ±0,35                       [g/m]
Gata de expediere în 24-48 ore din Germania NW-22-17-40 6 9,6 40 40 28 0 0 M3 2,5 5 2,6
Gata de expediere în 24-48 ore din Germania NW-22-17-40-LLY 6 9,6 40 40 28 0 0 M3 2,5 5 2,6
Gata de expediere în 24-48 ore din Germania NW-22-17-40-LLYZ 6 9,6 40 40 28 0 0 M3 2,5 5 2,6
Gata de expediere în 24-48 ore din Germania NW-22-17-40-LLZ 6 9,6 40 40 28 0 0 M3 2,5 5 2,6
Mai multe informatii despre piesa selectata:
Auto CAD 3D Auto CAD 3D
Comanda de mostra Comanda de mostra
PDF PDF
Quote request Quote request
myCatalog myCatalog

Ordering of a complete system

Configuration in few steps:

1. Selection of the number of carriages
2. Selection of the type of carriage
3. Entry of the rail length in mm
4. Selection of the carriage options
5. Selection of the rails options.

Hint:

Detailed information can be found below in the drawings as well as in the below-mentioned pages. You can obtain precise specifications on the floating bearing options within the design rules.
1

no floating bearing

2

Floating bearing in z-direction

3

Floating bearing in y-direction

4

Floating bearing in yz-direction

drylin® NK – complete set

Step 1

Enter the required number of carriages.

technical drawing
No. of carriages:

Static load capacity and moments of inertia of an area

A =bore min. Ø 5 mm
B = Depth for screw tightening
C = for machine screws M3
DIN 7984/DIN 6912/DIN 84
EN ISO 1707

Gata de expediere în 24-48 ore din Germania

Termenii "Apiro", "AutoChain", "CFRIP", "chainflex", "chainge", "lanțuri pentru macarale", "ConProtect", "cradle-chain", "CTD", "drygear", "drylin", "dryspin", "dry-tech", "dryway", "easy chain", "e-chain", "e-chain systems", quot;e-ketten", "e-kettensysteme", "e-loop", "energy chain", "energy chain systems", "enjoyneering", "e-skin", "e-spool", "fixflex", "flizz", "i.Cee", "ibow", "igear", "iglidur", "igubal", "igumid", "igus", "igus îmbunătățește ceea ce mișcă", 73quot;igus:bike", "igusGO", "igutex", "iguverse", "iguversum", "kineKIT", "kopla", "manus", "motion plastics", "motion polymers", "motionary", "plastics for longer life", "print2mold", "Rawbot", "RBTX", "readycable", "readychain", "ReBeL" , "ReCyycle", "reguse", "robolink", "Rohbot", "savfe", "speedigus", "superwise", "take the dryway", "tribofilament", "tribotape", "triflex", "twisterchain", "când se mișcă, igus îmbunătățește", "xirodur", "xiros" și "yes" sunt mărci comerciale protejate legal de igus® SE & Co. KG/ Cologne în Republica Federală Germania și, după caz, în unele țări străine. Aceasta este o listă neexhaustivă de mărci comerciale (de ex. cereri de mărci comerciale în curs de soluționare sau mărci comerciale înregistrate) ale igus SE & Co. KG sau ale companiilor afiliate igus în Germania, Uniunea Europeană, SUA și/sau alte țări sau jurisdicții.

igus® SE & Co. KG subliniază faptul că nu vinde produse ale companiilor Allen Bradley, B&R, Baumüller, Beckhoff, Lahr, Control Techniques, Danaher Motion, ELAU, FAGOR, FANUC, Festo, Heidenhain, Jetter, Lenze, LinMot, LTi DRiVES, Mitsubishi, NUM, Parker, Bosch Rexroth, SEW, Siemens, Stöber și toți ceilalți producători de elemente de acționare menționați pe acest site web. Produsele oferite de igus® sunt cele ale igus® SE & Co. KG