Vă rugăm să alegeți locația de livrare

Selectarea paginii țării/regiunii poate influența diferiți factori, cum ar fi prețul, opțiunile de expediere și disponibilitatea produselor.
Persoana mea de contact
Hennlich S.R.L

Str. Timotei Cipariu, Nr.5-7

310213 Arad

+40 257 211021
+40 257 211021
RO(RO)

drylin® N - Low profile linear guide system NK-02-80

Version 02 - standard with threaded hole
Version 12 - coated with threaded hole
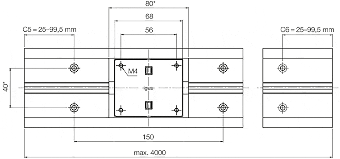
Part No. Max. rail lengths a C4 A3 C5=C6 h h1 K1* ly lz Rail weight Price / m  
  [L max.]       Min. max.       [mm2] [mm2] [g/m]    
Gata de expediere în 24-48 ore din Germania NS-01-80 4000 80 150 40 25 99,5 11 1,5 M4 271200 2900 1140 54,16 EUR uneti în cosul de cumparaturi
Gata de expediere în 24-48 ore din Germania NS-01-80-AR 4000 80 150 0 20 99,5 11 1,5 27120 2900 1140 64,99 EUR uneti în cosul de cumparaturi
Gata de expediere în 10 zile lucrătoare din Germania NS-01-80-UNGEBOHRT 4000 80 0 0 11 1,5 27120 2900 1140 48,48 EUR uneti în cosul de cumparaturi
Mai multe informatii despre piesa selectata:
Auto CAD 3D Auto CAD 3D
Comanda de mostra Comanda de mostra
PDF PDF
Quote request Quote request
myCatalog myCatalog

For unbored rails please indicate "Unbored" in the remark.
* for cylinder screw with low head

Version 02 - standard with threaded hole:

Order no. Designation Weight of carriage    
    [g]    
Gata de expediere în 24-48 ore din Germania NW-02-80 Standard carriage 100 10,24 EUR uneti în cosul de cumparaturi
Gata de expediere în 24-48 ore din Germania NW-02-80-LLY Standard carriage, floating bearing y-direction 100 10,24 EUR uneti în cosul de cumparaturi
Gata de expediere în 24-48 ore din Germania NW-02-80-LLZ Standard carriage, floating bearing in z-direction 100 10,24 EUR uneti în cosul de cumparaturi
Gata de expediere în 24-48 ore din Germania NW-02-80-LLYZ Standard carriage, floating bearing y- and z-direction 100 10,24 EUR uneti în cosul de cumparaturi
Mai multe informatii despre piesa selectata:
Auto CAD 3D Auto CAD 3D
Comanda de mostra Comanda de mostra
PDF PDF
Quote request Quote request
myCatalog myCatalog

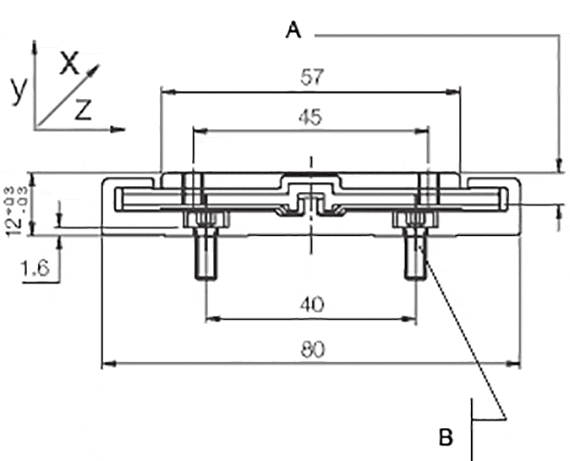
Version 02: Dimensions [mm] - guide carriages

Part. No. H A C C1 C2 A2 H2 K2 K3 K4 Spmin. DpØmin. Weight
  ±0,35                       [g/m]
Gata de expediere în 24-48 ore din Germania NW-02-80 12 57 80 68 56 45 0 M4 0 0 100
Gata de expediere în 24-48 ore din Germania NW-02-80-LLY 12 57 80 68 56 45 0 M4 0 0 100
Gata de expediere în 24-48 ore din Germania NW-02-80-LLZ 12 57 80 68 56 45 0 M4 0 0 100
Gata de expediere în 24-48 ore din Germania NW-02-80-LLYZ 12 57 80 68 56 45 0 M4 0 0 100
Mai multe informatii despre piesa selectata:
Auto CAD 3D Auto CAD 3D
Comanda de mostra Comanda de mostra
PDF PDF
Quote request Quote request
myCatalog myCatalog

Version 12 - coated with threaded hole:

Order no. Designation Weight of carriage    
   : [g]    
Gata de expediere în 24-48 ore din Germania NW-12-80 Moulded carriage 100 10,24 EUR uneti în cosul de cumparaturi
Gata de expediere în 24-48 ore din Germania NW-12-80-LLY Moulded carriage, floating bearing y-direction 100 10,24 EUR uneti în cosul de cumparaturi
Gata de expediere în 24-48 ore din Germania NW-12-80-LLZ Moulded carriage, floating bearing z-direction 100 10,24 EUR uneti în cosul de cumparaturi
Gata de expediere în 24-48 ore din Germania NW-12-80-LLYZ Moulded carriage, floating bearing y and z-direction 100 10,24 EUR uneti în cosul de cumparaturi
Mai multe informatii despre piesa selectata:
Auto CAD 3D Auto CAD 3D
Comanda de mostra Comanda de mostra
PDF PDF
Quote request Quote request
myCatalog myCatalog

Version 12: Dimensions [mm] - guide carriages

Part. No. H A C C1 C2 A2 H2 K2 K3 K4 Spmin. DpØmin. Weight
  ±0,35                       [g/m]
Gata de expediere în 24-48 ore din Germania NW-12-80 12 57 83 68 56 45 0 M4 0 0 100
Gata de expediere în 24-48 ore din Germania NW-12-80-LLY 12 57 83 68 56 45 0 M4 0 0 100
Gata de expediere în 24-48 ore din Germania NW-12-80-LLZ 12 57 83 68 56 45 0 M4 0 0 100
Gata de expediere în 24-48 ore din Germania NW-12-80-LLYZ 12 57 83 68 56 45 0 M4 0 0 100
Mai multe informatii despre piesa selectata:
Auto CAD 3D Auto CAD 3D
Comanda de mostra Comanda de mostra
PDF PDF
Quote request Quote request
myCatalog myCatalog

Ordering of a complete system

Configuration in few steps:

1. Selection of the number of carriages
2. Selection of the type of carriagel
3. Entry of the rail length in mm
4. Selection of the carriage options
5.

Hint:

Detailed information can be found below in the drawings as well as in the below-mentioned pages. You can obtain precise specifications on the floating bearing options within the design rules.
1

no floating bearing

2

Floating bearing in z-direction

3

Floating bearing in y-direction

4

Floating bearing in yz-direction

drylin® NK – complete set

Step 1

Enter the required number of carriages.

technical drawing
No. of carriages:

* Carriage length in version NW-12-80 = 83 mm
M4 (max. tightening torque 1.2 Nm)

Static load capacity and moments of inertia of an area

A = Depth for screw tightening max. 6,5 mm
B = M4 (max. tightening torque 2,0 Nm)>
DIN 7984/DIN 6912/DIN 84
EN ISO 1707

Gata de expediere în 24-48 ore din Germania
Gata de expediere în 10 zile lucrătoare din Germania

Termenii "Apiro", "AutoChain", "CFRIP", "chainflex", "chainge", "lanțuri pentru macarale", "ConProtect", "cradle-chain", "CTD", "drygear", "drylin", "dryspin", "dry-tech", "dryway", "easy chain", "e-chain", "e-chain systems", quot;e-ketten", "e-kettensysteme", "e-loop", "energy chain", "energy chain systems", "enjoyneering", "e-skin", "e-spool", "fixflex", "flizz", "i.Cee", "ibow", "igear", "iglidur", "igubal", "igumid", "igus", "igus îmbunătățește ceea ce mișcă", 73quot;igus:bike", "igusGO", "igutex", "iguverse", "iguversum", "kineKIT", "kopla", "manus", "motion plastics", "motion polymers", "motionary", "plastics for longer life", "print2mold", "Rawbot", "RBTX", "readycable", "readychain", "ReBeL" , "ReCyycle", "reguse", "robolink", "Rohbot", "savfe", "speedigus", "superwise", "take the dryway", "tribofilament", "tribotape", "triflex", "twisterchain", "când se mișcă, igus îmbunătățește", "xirodur", "xiros" și "yes" sunt mărci comerciale protejate legal de igus® SE & Co. KG/ Cologne în Republica Federală Germania și, după caz, în unele țări străine. Aceasta este o listă neexhaustivă de mărci comerciale (de ex. cereri de mărci comerciale în curs de soluționare sau mărci comerciale înregistrate) ale igus SE & Co. KG sau ale companiilor afiliate igus în Germania, Uniunea Europeană, SUA și/sau alte țări sau jurisdicții.

igus® SE & Co. KG subliniază faptul că nu vinde produse ale companiilor Allen Bradley, B&R, Baumüller, Beckhoff, Lahr, Control Techniques, Danaher Motion, ELAU, FAGOR, FANUC, Festo, Heidenhain, Jetter, Lenze, LinMot, LTi DRiVES, Mitsubishi, NUM, Parker, Bosch Rexroth, SEW, Siemens, Stöber și toți ceilalți producători de elemente de acționare menționați pe acest site web. Produsele oferite de igus® sunt cele ale igus® SE & Co. KG