Vă rugăm să alegeți locația de livrare

Selectarea paginii țării/regiunii poate influența diferiți factori, cum ar fi prețul, opțiunile de expediere și disponibilitatea produselor.
Persoana mea de contact
Hennlich S.R.L

Str. Timotei Cipariu, Nr.5-7

310213 Arad

+40 257 211021
+40 257 211021
RO(RO)

Îmbunătăţiţi tehnologia şi reduceţi costurile cu 25% şi mai mult.

Module liniare drylin® SLW… 7 dimensiuni de instalare, configurabile personalizat, livrate în 2-4 zile

Alunecă în loc să se rostogolească! Fără lubrefiere datorită polimerilor dry-tech®

Modulele liniare igus® SLW se bazează pe setul de construcţie liniar drylin® W şi pe materialele plastice cu performanţe ridicate dry-tech® cu auto-lubrefiere şi fără întreţinere. Lubrefiantul este încorporat în materialul lagărului, ceea ce face din acesta alegerea potrivită pentru condiţii de funcţionare uscată, pentru că nu necesită întreţinere pe întreaga lor durată de viaţă. Modulele liniare gata de instalare sunt disponibile în 2-4 zile.

Profitaţi de avantajele tehnice ale tehnologiei noastre de acţionare drylin® care nu necesită întreţinere.

1.1. Rezistent împotriva absorbţiei de murdărie, praf şi umezeală

Particulele sunt respinse de pe suprafaţa de contact la mişcare.

Detalii ale principiului de funcţionare

Rezistent împotriva absorbţiei de murdărie, praf şi umezeală

Funcţionare uscată, fără lubrefiere

Sistemele cu lagăre de alunecare liniare drylin® sunt proiectate pentru funcţionare uscată. Toate aplicaţiile sunt astfel protejate împotriva contaminării cu unsoare sau ulei. Sunt posibile chiar şi aplicaţii în condiţii de murdărie şi nisip din abundenţă.

Testare efectuată de către igus®

Insensibilitate la murdărie

Particulele de murdărie sunt respinse de pe suprafaţa de contact de către mişcarea în sine. Aici partea din faţă a glisoarelor funcţionează ca un ştergător. Suprafaţa de contact rămâne curată.

Exemple de aplicaţii

Sisteme de producere a scutecelor

Instalaţiile prelucrează super-absorbanţi şi pastă care generează o expunere relativ ridicată la murdărie şi praf. Deoarece polimerii super-absorbanţi se comportă de asemenea în mod similar la nisip, murdăria se acumulează ca rezultat al frecării.

1.2. Zgomot redus

Detalii ale principiului de funcţionare

Silenţios şi neted

funcţionare silenţioasă

Zgomotul la funcţionare este de asemenea redus semnificativ prin modificarea principiului de funcţionare de la rostogolire la alunecare. Nu există rostogolire mecanică pe suprafeţe dure asociate şi nici coliziuni ale bilelor care să cauzeze zgomote.

Testare efectuată de către igus®

funcţionare silenţioasă

Mişcarea de alunecare are un zgomot extrem de redus şi se aude numai un zgomot uşor de frecare.

Exemple de aplicaţii

Dispozitiv de detectare margine

Reglarea formatului senzorilor pentru detecţia marginii benzii şi recunoaşterea semnelor de imprimare prin intermediul soluţiei cu masă liniară drylin® SLW cu indicator de poziţie şi roată de mână (poziţionare confortabilă şi reproductibilă din exterior)

1.3. Curat şi igienic

Detalii ale principiului de funcţionare

Silenţios şi neted

Curat şi igienic

Proprietăţile de funcţionare uscată a lagărelor de alunecare iglidur® nu sunt avantajoase numai în medii cu murdărie. Absenţa lubrefierii este de asemenea un criteriu important la aplicaţii cu cerinţe ridicate de igienă şi puritate.

Testat

Potrivit pentru camere cu atmosferă controlată

Ghidajele drylin® testate scot în evidenţă o aplicabilitate distinctă pentru săli cu atmosferă controlată. Au fost testate următoarele ghidaje drylin® de la igus®: N40, W10, T25 şi T30.

Exemple de aplicaţii

Aparat de codificare

Masa de ridicat cu arbore drylin® cu indicator de poziţie şi roată de mână este utilizată într-un dispozitiv de detectare a marginii pentru etichetarea brânzei, datorită faptului că nu necesită lubrefianţi.

1.4. Rezistent la coroziune

Detalii ale principiului de funcţionare

Comportamentul la coroziune

Rezistenţă la coroziune şi la agenţi

Toate lagărele de alunecare din plastic iglidur® sunt fără lubrefiere prin natura lor. Există de asemenea materiale cu destinaţii speciale, care pot fi utilizate împotriva soluţiilor caustice, acizilor, agenţilor de curăţare, etc., şi care, datorită rezistenţei lor la agenţi, se pot utiliza chiar şi în cele mai dificile condiţii. Gama de produse include de asemenea materiale cu destinaţii speciale, pentru utilizare permanentă în condiţii subacvatice.

Testare efectuată de către igus®

Rezistenţă la coroziune şi la agenţi

Unitate fără coroziune

Rezistenţa sistemelor cu lagăre de alunecare liniare depinde în egală măsură de materialul asociat. Setul modular igus® poate fi livrat complet sub forma unei unităţi fără coroziune fabricate din oţel inoxidabil.

Exemple de aplicaţii

Sisteme de inspecţie

Mese liniare drylin® SLW sau SHT rezolvă reglarea înălţimii camerelor şi senzorilor

2. Materiale pentru lagăr

Materiale pentru orice tip de arbore, uzură specifică superioară

Detalii ale principiului de funcţionare

Uzură redusă - garnituri pentru lagăre de alunecare fabricate din polimeri cu performanţe ridicate

Polimeri cu performanţe ridicate

Modulele liniare SLW pot fi configurate şi furnizate astfel încât să se potrivească cu aplicaţia în ceea ce priveşte materialele lagărului de alunecare. Configuraţiile standard pentru sistemele SLW includ lagăre fabricate din materiale iglidur® J/J200 rezistente la uzură. Lagărele şi piuliţele pentru şuruburi de acţionare fabricate din materiale iglidur® X în combinaţie cu oţel inoxidabil reprezintă cea mai bună opţiune pentru aplicaţii care necesită rezistenţă chimică extremă. Materialul iglidur® A180 conform cu FDA se potriveşte bine în special pentru aplicaţii în domeniul alimentar/farmaceutic.

Testare efectuată de către igus®

Materiale pentru căptuşeală

iglidur® J

varianta standard

cele mai buni valori de frecare

Rezistenţă bună la uzură

Cea mai redusă absorbţie de umiditate


iglidur® J200

ideal cu aluminiu

Coeficienţi mici de frecare

rezistenţă excelentă la uzură cu aluminiu eloxat


iglidur® A180

Conformitate cu FDA

pentru utilizare directă în apropierea alimentelor (sau în contact cu acestea) sau cu produse farmaceutice

Cea mai redusă absorbţie de umiditate


iglidur® X

temperaturi mari de la -100 la 250°C

Rezistenţă universală la substanţe chimice

Rezistenţă mare la compresie

Testare efectuată de către igus®

Teste de laborator extensive şi ani de experienţă au evidenţiat faptul că iglidur® J, J200, X şi A180 sunt materialele ideale pentru majoritatea aplicaţiilor liniare datorită proprietăţilor lor bune la uzură şi frecare.

3. Selectarea materialului ideal pentru carcasă

Diferite materiale la alegere pentru carcasă

Zinc turnat sub presiune: material standard economic

Aluminiu: greutate redusă a componentelor

Oţel inoxidabil: rezistenţă la coroziune şi la temperaturi ridicate

Mecanism „Turn-to-fit”: reglare manuală a jocului datorită funcţiei „Turn-to-Fit“, cu ajutorul unei chei pentru şuruburi


4. Selecţia filetului

Tipuri de filet

Uzură redusă - garnituri pentru lagăre de alunecare fabricate din polimeri cu performanţe ridicate

Filete trapezoidale

Configuraţiile standard la modulul liniar SLW sunt echipate cu şuruburi de acţionare trapezoidale cu o singură pornire şi sunt cu auto-blocare. Aceasta înseamnă că unghiul lateral şi frecarea la alunecare împiedică mişcarea piuliţei sau a şurubului de acţionare fără aplicarea de forţe exterioare. Căruciorul rămâne în poziţia selectată. Şuruburi de acţionare fabricate din oţel C15, VA rezistent la coroziune (1.4301/1.4305), şi acoperite cu aluminiu sunt disponibile ca piese asociate pentru piuliţe pentru şuruburi de acţionare trapezoidale drylin®.

Tipuri de filet

Filet abrupt

Modulele liniare drylin® cu şuruburi cu unghi de înclinare mare al canalelor elicoidale pot fi instalate pentru sarcini de reglare şi poziţionare rapidă. Şuruburile cu unghi de înclinare mare al canalelor elicoidale sunt fabricate din oţel inoxidabil rezistent la coroziune (1.4021) şi nu au o funcţie de auto-blocare. Aceasta permite utilizarea lor în aplicaţii la care cărucioarele liniare sunt deplasate rapid manual, la cerere.

Exemple de aplicaţii

Reglaje ale formatului

Aplicaţie în industria sticlei. Reglarea formatului la transportor pentru separarea sticlelor.

5. Profile pentru şină drylin® W

… Aluminu anodizat dur
…Oţel inoxidabil (dimensiune 1040 & 2080)

Detalii ale principiului de funcţionare

Uzură redusă - garnituri pentru lagăre de alunecare fabricate din polimeri cu performanţe ridicate

Proprietăţi de funcţionare bune

Modulele liniare din seria SLW, SAW şi ZLW se bazează pe setul de construcţie liniar drylin® care nu necesită lubrefiere. Profilele din aluminiu extrem de rezistente la torsiune sunt produse cu prese de extrudare. Suprafaţa este cu oxidare anodică dură şi are proprietăţi bune la uzură, rezistenţă mare la substanţe chimice şi un grad mare de duritate. Fiind asociate cu polimerii noştri cu performanţe ridicate dry-tech®, asigură caracteristici de funcţionare superioare, sunt predictibile şi au o durată de viaţă lungă.

Exemple de aplicaţii

Rezistent la coroziune

Modulele SLW din oţel inoxidabil bazate pe arbori de ghidare fabricaţi din materiale V4A (1.4571) sunt disponibile pentru medii care necesită rezistenţă extremă la coroziune.

Instrumente de selecţie igus®

Motor de căutare tehnologie de acţionare

Comparaţi, proiectaţi şi configuraţi online rapid şi convenabil unităţi liniare.
 

 
Expert & calculul duratei de viaţă. Solicitare uşoară de sisteme drylin® complete

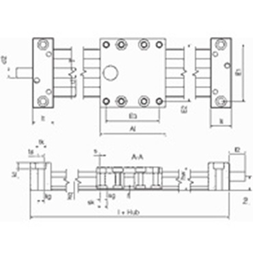
6. 7 dimensiuni de instalare 7 lăţimi ale căruciorului

Modulele liniare SLW sunt disponibile în 7 dimensiuni de instalare. Disponibilă cu dimensiuni de instalare 06 -25, seria SLW are un modul liniar care se potriveşte dimensiunii de instalare a aplicaţiilor dvs.

Şină dublă unghiulară

Dimensiune instalare 30: 54 mm

Şină dublă rotundă

Dimensiune instalare 1040: 73 mm
Dimensiune instalare 1080: 107 mm
Dimensiune instalare 1660: 104 mm
Dimensiune instalare 2080: 153 mm
Dimensiune instalare 25120: 195 mm

7. Selectarea lungimii ideale a căruciorului

Modulele liniare SLW pot fi instalate cu cărucioare de diferite lungimi, pentru cel mai bun suport al cuplului. O soluţie cu cărucioare multiple este posibilă la orice dimensiune de instalare.
Dimensiune instalare 06: 60/80/100
Dimensiune instalare 1040: 69/100/150
Dimensiune instalare 1080: 100/150/200
Dimensiune instalare 10120: 100/150/200
Dimensiune instalare 1660: 100/150/200
Dimensiune instalare 2080: 150/200/250
Dimensiune instalare 25120: 150/200/250

8. Lungimi diferite ale cursei

Detalii ale principiului de funcţionare

Disponibile diferite şine

Configurate cu precizie milimetrică

Modulele liniare SLW pot fi configurate cu precizie milimetrică şi sunt astfel ideal adaptate la cerinţele clienţilor.

Detalii ale principiului de funcţionare

Lungimi maxime ale cursei

Lungimile maxime ale cursei depind de dimensiunea de instalare.
 
Dimensiune instalare 0630: 300 mm
Dimensiune instalare 1040: 750 mm
Dimensiune instalare 1080: 750 mm
Dimensiune instalare 1660: 750 mm
Dimensiune instalare 2080: 1000 mm
Dimensiune instalare 25120: 1250 mm

Detalii ale principiului de funcţionare

Arbori silenţioşi pentru curse > 750 mm

Prin aceste suporturi de arbori transportate de căruciorul de ghidare, care se poziţionează independent la diferite puncte de-a lungul traseului cursei, utilizatorii pot acum implementa cu uşurinţă lungimile lungi ale cursei > 750 mm.

9. Diametrul şinei

Şină dublă unghiulară

Dimensiune instalare: 06 mm

Şină dublă rotundă

Dimensiune instalare: 10mm, 16 mm, 20 mm, 25 mm

11.Accesorii / opţiuni

Accesorii pentru controlul mişcării

numeroase accesorii

Reglaje manuale

Pentru modulele liniare drylin® SLW este disponibilă o listă extinsă de accesorii, pentru a proiecta manual rapid şi convenabil controlul mişcării. Atunci când sunt configurate direct cu unitatea liniară, unităţile sunt expediate complet asamblate.
Indicator de poziţie

Clemă cu şurub de acţionare

Buton pentru acţionare manuală

acţionare unghiulară

Accesorii pentru controlul mişcării

Comanda motorizată a mişcării

Modulele liniare din seria SLW pot fi configurate şi livrate cu motoare pas cu pas sau de curent continuu drylin® E. În plus, este disponibilă o gamă largă de accesorii, constând din seturi motor, cabluri de alimentare chainflex, comutatoare de proximitate, cutii de viteze sau plăci adaptoare pentru structuri tip portal.

Exemple de aplicaţii

drylin® E - "E" de la electric

Dezvoltarea consistentă a setului de instrumente şi conceptul de sistem al tehnologiei de acţionare drylin® ce nu necesită lubrefiere.
 
Comparaţi, proiectaţi şi configuraţi rapid şi uşor mese liniare şi motoare potrivite.

Mai multe informaţii:


Comandă mostră



Termenii "Apiro", "AutoChain", "CFRIP", "chainflex", "chainge", "lanțuri pentru macarale", "ConProtect", "cradle-chain", "CTD", "drygear", "drylin", "dryspin", "dry-tech", "dryway", "easy chain", "e-chain", "e-chain systems", quot;e-ketten", "e-kettensysteme", "e-loop", "energy chain", "energy chain systems", "enjoyneering", "e-skin", "e-spool", "fixflex", "flizz", "i.Cee", "ibow", "igear", "iglidur", "igubal", "igumid", "igus", "igus îmbunătățește ceea ce mișcă", 73quot;igus:bike", "igusGO", "igutex", "iguverse", "iguversum", "kineKIT", "kopla", "manus", "motion plastics", "motion polymers", "motionary", "plastics for longer life", "print2mold", "Rawbot", "RBTX", "readycable", "readychain", "ReBeL" , "ReCyycle", "reguse", "robolink", "Rohbot", "savfe", "speedigus", "superwise", "take the dryway", "tribofilament", "tribotape", "triflex", "twisterchain", "când se mișcă, igus îmbunătățește", "xirodur", "xiros" și "yes" sunt mărci comerciale protejate legal de igus® SE & Co. KG/ Cologne în Republica Federală Germania și, după caz, în unele țări străine. Aceasta este o listă neexhaustivă de mărci comerciale (de ex. cereri de mărci comerciale în curs de soluționare sau mărci comerciale înregistrate) ale igus SE & Co. KG sau ale companiilor afiliate igus în Germania, Uniunea Europeană, SUA și/sau alte țări sau jurisdicții.

igus® SE & Co. KG subliniază faptul că nu vinde produse ale companiilor Allen Bradley, B&R, Baumüller, Beckhoff, Lahr, Control Techniques, Danaher Motion, ELAU, FAGOR, FANUC, Festo, Heidenhain, Jetter, Lenze, LinMot, LTi DRiVES, Mitsubishi, NUM, Parker, Bosch Rexroth, SEW, Siemens, Stöber și toți ceilalți producători de elemente de acționare menționați pe acest site web. Produsele oferite de igus® sunt cele ale igus® SE & Co. KG