Vă rugăm să alegeți locația de livrare

Selectarea paginii țării/regiunii poate influența diferiți factori, cum ar fi prețul, opțiunile de expediere și disponibilitatea produselor.
Persoana mea de contact
Hennlich S.R.L

Str. Timotei Cipariu, Nr.5-7

310213 Arad

+40 257 211021
+40 257 211021
RO(RO)

Special properties cross slide

High precision, extreme stiffening and precise alignment through CNC production

Available as standard and preload version

100% lubricant-free and completely corrosion-free

Adjustments by trapezoidal thread TR 10x2

Mounting of upper unit with right or left alignment possible

Available accessories (hand wheel, cursor ...)

Cross slide

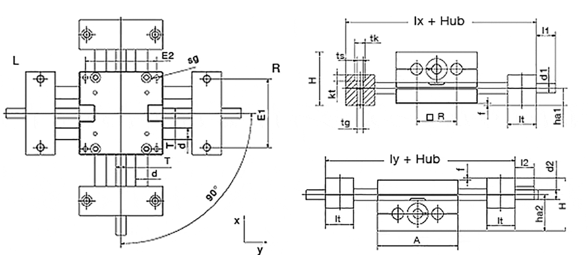
SHT-XY - XY table installation sizes

drylin SHT-XY-08-AWM XY table

SHT-XY-08-AWM

  • Max. stroke length: 150mm
  • Carriage length: 65mm
  • Shaft material: aluminium
  • Shaft diameter: 8mm
drylin SHT-XY-12-AWM XY table

SHT-XY-12-AWM

  • Max. stroke length: 350mm
  • Carriage length: 85mm
  • Shaft material: aluminium
  • Shaft diameter: 12mm

With spring pre-load - PL versions

drylin SHT-XY-12-AWM-PL XY table

SHT-XY-12-AWM-PL

  • Max. stroke length: 350mm
  • Carriage length: 85mm
  • Shaft material: aluminium
  • Shaft diameter: 12mm
  • With pre-load
drylin SHT-XY-20-EWM-PL XY table

SHT-XY-20-EWM-PL

  • Max. stroke length: 500mm
  • Carriage length: 130mm
  • Shaft material: stainless steel
  • Shaft diameter: 20mm
  • With pre-load

SHT/SHT-PL - cross slide


Cross slide lengths and weights [mm]

Order no. A
-0.3
[mm]
H
 
[mm]
E1
±0,15
[mm]
E2
±0,15
[mm]
Base-
length lx
[mm]
Base-
length ly
[mm]
R
 
[mm]
f
 
[mm]
lt
±0,1
[mm]
tk
 
[mm]
ts
 
[mm]
tg
 
kt
 
[mm]
Gata de expediere în 10 zile lucrătoare din Germania SHT-XY-12 85 56 70 73 145 145 42 2 30 11 6,6 M8 6,4
Gata de expediere în 10 zile lucrătoare din Germania SHT-XY-08 65 42 52 56 96 96 32 1,5 15,5 10 5,5 M6 7
Gata de expediere în 10 zile lucrătoare din Germania SHT-XY-12-PL 85 56 70 73 145 145 42 2 30 11 6,6 M8 6,4
Gata de expediere în 10 zile lucrătoare din Germania SHT-XY-20-EWM-PL 130 86 108 115 202 202 72 2 36 15 9 M10 8,6
Mai multe informatii despre piesa selectata:
Auto CAD 3D Auto CAD 3D
Comanda de mostra Comanda de mostra
PDF PDF
Quote request Quote request
myCatalog myCatalog

Cross slide dimensions [mm]

Order no. sg


d

[mm]
T

l1

[mm]
d1
Standard
d1
Alternativ
l2

[mm]
d2
Standard
d2
Alternativ
ha1

[mm]
ha2

[mm]
W
ha2-ha1
[mm]
Gata de expediere în 10 zile lucrătoare din Germania SHT-XY-12 M6 12 17 TR10x2 6h9 17 6h9 18 38 20
Gata de expediere în 10 zile lucrătoare din Germania SHT-XY-08 M5 8 TR6x2/TR6,35x2,54 15,5 TR6x2/TR6,35x2,54 5 15 5 13 29 16
Gata de expediere în 10 zile lucrătoare din Germania SHT-XY-12-PL M6 12 17 TR10x2 6h9 17 6h9 18 38 20
Gata de expediere în 10 zile lucrătoare din Germania SHT-XY-20-EWM-PL M8 20 26 TR18x4 - 26 12h9 23 63 40
Mai multe informatii despre piesa selectata:
Auto CAD 3D Auto CAD 3D
Comanda de mostra Comanda de mostra
PDF PDF
Quote request Quote request
myCatalog myCatalog
You can order the hand wheel of the y-axis to be mounted left or right.
Left: SHT-XY-12-AWM-L-200-300 for 200 mm stroke lengths in x-direction and 300 mm in y-direction.
Right: SHT-XY-12-AWM-R-200-300 for 200 mm stroke lenghts in x-direction und 300 mm in y-direction

Technical options for the SHT series

The following options can be delivered for the SHT-XY product range.


More information and cross slide accessories



Gata de expediere în 10 zile lucrătoare din Germania

Termenii "Apiro", "AutoChain", "CFRIP", "chainflex", "chainge", "lanțuri pentru macarale", "ConProtect", "cradle-chain", "CTD", "drygear", "drylin", "dryspin", "dry-tech", "dryway", "easy chain", "e-chain", "e-chain systems", quot;e-ketten", "e-kettensysteme", "e-loop", "energy chain", "energy chain systems", "enjoyneering", "e-skin", "e-spool", "fixflex", "flizz", "i.Cee", "ibow", "igear", "iglidur", "igubal", "igumid", "igus", "igus îmbunătățește ceea ce mișcă", 73quot;igus:bike", "igusGO", "igutex", "iguverse", "iguversum", "kineKIT", "kopla", "manus", "motion plastics", "motion polymers", "motionary", "plastics for longer life", "print2mold", "Rawbot", "RBTX", "readycable", "readychain", "ReBeL" , "ReCyycle", "reguse", "robolink", "Rohbot", "savfe", "speedigus", "superwise", "take the dryway", "tribofilament", "tribotape", "triflex", "twisterchain", "când se mișcă, igus îmbunătățește", "xirodur", "xiros" și "yes" sunt mărci comerciale protejate legal de igus® SE & Co. KG/ Cologne în Republica Federală Germania și, după caz, în unele țări străine. Aceasta este o listă neexhaustivă de mărci comerciale (de ex. cereri de mărci comerciale în curs de soluționare sau mărci comerciale înregistrate) ale igus SE & Co. KG sau ale companiilor afiliate igus în Germania, Uniunea Europeană, SUA și/sau alte țări sau jurisdicții.

igus® SE & Co. KG subliniază faptul că nu vinde produse ale companiilor Allen Bradley, B&R, Baumüller, Beckhoff, Lahr, Control Techniques, Danaher Motion, ELAU, FAGOR, FANUC, Festo, Heidenhain, Jetter, Lenze, LinMot, LTi DRiVES, Mitsubishi, NUM, Parker, Bosch Rexroth, SEW, Siemens, Stöber și toți ceilalți producători de elemente de acționare menționați pe acest site web. Produsele oferite de igus® sunt cele ale igus® SE & Co. KG