Series 20 Classic

Discontinued Model
20.1.055.0 product image
igus-icon-lupe
20.1.055.0 technical drawing
igus-icon-lupe
1 of 2
20.1.055.0 product image
20.1.055.0 technical drawing
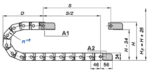
Inner height [Hi]
Inner height [Hi]
25 mm
Max. cable diameter
Max. cable diameter
23 mm
Opening principle
Opening principle
closed
Inner width [Bi]
Inner width [Bi]
12 mm
Bend radius [R]
Bend radius [R]
55 mm
Ce putem să îmbunătățim pentru dvs.? Spuneți-ne ce părere aveți.

Despre igus®

Servicii

Contact

Metodele noastre de plată

  • Cumpărați în cont

      Rămâneți la curent și înscrieți-vă la buletinul informativ igus® aici.

      igus-icon-globeLimba:Română|Țara:România

      Termenii "Apiro", "AutoChain", "CFRIP", "chainflex", "chainge", "lanțuri pentru macarale", "ConProtect", "cradle-chain", "CTD", "drygear", "drylin", "dryspin", "dry-tech", "dryway", "easy chain", "e-chain", "e-chain systems", quot;e-ketten", "e-kettensysteme", "e-loop", "energy chain", "energy chain systems", "enjoyneering", "e-skin", "e-spool", "fixflex", "flizz", "i.Cee", "ibow", "igear", "iglidur", "igubal", "igumid", "igus", "igus îmbunătățește ceea ce mișcă", 73quot;igus:bike", "igusGO", "igutex", "iguverse", "iguversum", "kineKIT", "kopla", "manus", "motion plastics", "motion polymers", "motionary", "plastics for longer life", "print2mold", "Rawbot", "RBTX", "readycable", "readychain", "ReBeL" , "ReCyycle", "reguse", "robolink", "Rohbot", "savfe", "speedigus", "superwise", "take the dryway", "tribofilament", "tribotape", "triflex", "twisterchain", "când se mișcă, igus îmbunătățește", "xirodur", "xiros" și "yes" sunt mărci comerciale protejate legal de igus® SE & Co. KG/ Cologne în Republica Federală Germania și, după caz, în unele țări străine. Aceasta este o listă neexhaustivă de mărci comerciale (de ex. cereri de mărci comerciale în curs de soluționare sau mărci comerciale înregistrate) ale igus SE & Co. KG sau ale companiilor afiliate igus în Germania, Uniunea Europeană, SUA și/sau alte țări sau jurisdicții.

      igus® SE & Co. KG subliniază faptul că nu vinde produse ale companiilor Allen Bradley, B&R, Baumüller, Beckhoff, Lahr, Control Techniques, Danaher Motion, ELAU, FAGOR, FANUC, Festo, Heidenhain, Jetter, Lenze, LinMot, LTi DRiVES, Mitsubishi, NUM, Parker, Bosch Rexroth, SEW, Siemens, Stöber și toți ceilalți producători de elemente de acționare menționați pe acest site web. Produsele oferite de igus® sunt cele ale igus® SE & Co. KG